- Obecnie brak na stanie
Antywłamaniowe
Wkładki antywłamaniowe – skuteczny sposób na ochronę przed złodziejami
Wkładki antywłamaniowe to niezwykle praktyczne akcesoria, które skutecznie utrudniają otwarcie drzwi bez posiadania klucza lub ich sforsowanie przez złodzieja czy inną osobą postronną. Stanowią one gwarancję bezpieczeństwa budynków - czy to mieszkalnych, czy użyteczności publicznej. Jeżeli szukasz wysokiej jakości, niezawodnych wkładek antywłamaniowych, koniecznie zapoznaj się z ofertą naszego sklepu internetowego KELOP!
Wkładka do drzwi antywłamaniowych – dostępne klasy
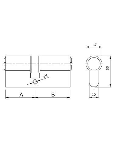
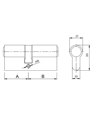
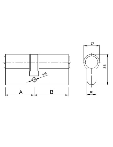
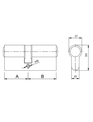
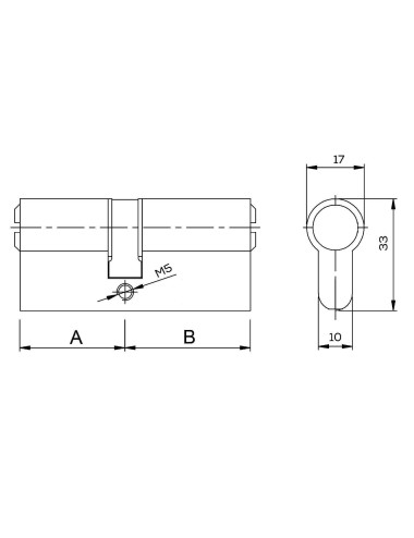
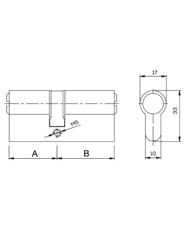
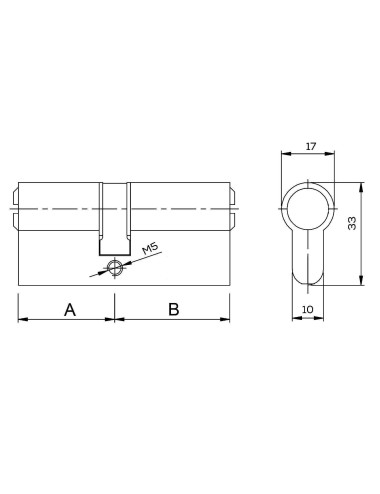
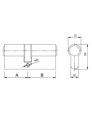
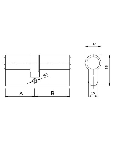
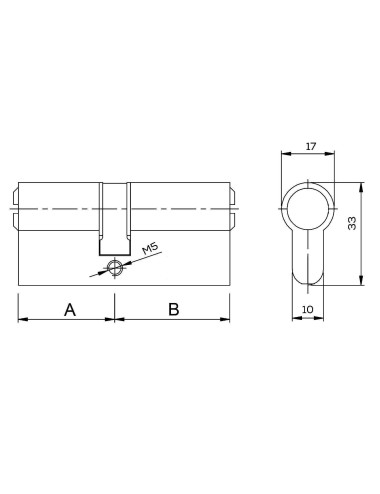
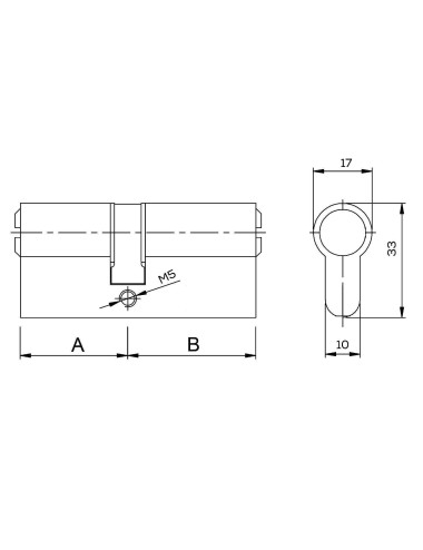
Wkładka do drzwi antywłamaniowych może posiadać różne klasy, zgodnie z ustaleniami Instytutu Mechaniki Precyzyjnej. Wyróżnia się produkty klasy A, B oraz C. Z pierwszymi z nich złodziej jest sobie w stanie poradzić w czasie poniżej 3 minut, a co za tym idzie - nie stanowią one wystarczającego zabezpieczenia. Wkładki klasy B są w stanie zatrzymać włamywacza na około 3 do 6 minut. Znacząca część przestępców rezygnuje w takim czasie z pomysłu wtargnięcia do budynku, z obawy przed zauważeniem. W szczególności godne polecenia są wkładki typu C, które stawiają opór nieproszonym gościom na co najmniej 6 minut.
Wkładka antywłamaniowa zgodna z normą PN–EN 1303:2015–07
Wkładka antywłamaniowa najwyższej jakości to taka, która spełnia wymagania wskazane w normie PN-EN 1303:2015-07. Określa ona parametry tego typu produktów, takie jak: kategorie użytkowania, cykle próbne, masa drzwi, odporność ogniowa, bezpieczeństwo, wytrzymałość na korozję, zabezpieczenie kodu klucza, odporność na atak oraz odporność na włamanie. Za najważniejsze uznaje się odporność na atak (maksymalną jest D) i bezpieczeństwo kodu klucza (wynosić może ono najwięcej 6). Poza wymienionymi powyżej, przy wyborze wkładki antywłamaniowej warto się także upewnić, że posiada ona stosowne atesty i certyfikaty.
Najlepsza wkładka antywłamaniowa
Najlepsza wkładka antywłamaniowa - czym powinien się charakteryzować tego typu produkt?
Najpopularniejsze rozwiązania antywłamaniowe bazują na stalowych kołkach lub płytkach zabezpieczających przed przewierceniem, stalowych szynach przeciw złamaniu wkładki, nacięć wkładki "anti snap", które stanowią strefę kontrolowangeo złamania.
W naszym sklepie internetowym KELOP można znaleźć produkty renomowanych, uznanych na rynku marek, takich jak Kale, Gerda, Yale czy Mul-T-Lock. Poszczególne modele różnią się od siebie parametrami typu: wymiary, typ klucza, trwałość, masa drzwi, odporność ogniowa, bezpieczeństwo, odporność na korozję i temperaturę, zabezpieczenie związane z kluczem, odporność na atak, kolor czy materiał wykonania. Nie wiesz, którą z wkładek wybrać? Nasi wykwalifikowani eksperci z chęcią pomogą Ci w znalezieniu produktu dopasowanego do Twoich potrzeb!